How Can a Desorption Electrolytic System Reduce Energy Consumption in Gold Processing Plants

2026-04-21

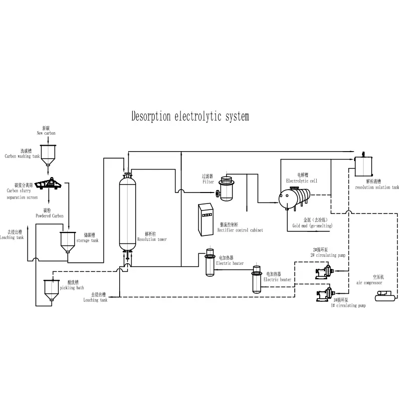
In modern gold processing, reducing operational costs while maintaining high recovery rates is a constant challenge. A Desorption Electrolytic System plays a pivotal role in this balance. EPIC provides advanced solutions that directly target energy inefficiency in the carbon stripping and electrowinning stages. By rethinking heat distribution, solution recirculation, and power management, a well-designed Desorption Electrolytic System can cut energy use by 20–35% compared to conventional setups.

Desorption Electrolytic System

Key Energy-Saving Mechanisms

Component Energy Reduction Strategy Typical Saving
Heater Direct immersion heating with PID control 15–20% less heat loss
Pump Variable frequency drive (VFD) on eluant circulation 10–15% electricity reduction
Electrolysis cell High-surface-area cathode grids 5–8% lower voltage requirement
Insulation Multi-layer jacketed columns 25% reduced thermal radiation

Practical Ways a Desorption Electrolytic System Lowers Power Demand

  1. Optimized Heat Recovery
    Heat is the largest energy sink in desorption. EPIC systems reuse hot eluant from the electrolysis section back to the stripping column, minimizing fresh heating cycles.

  2. Lower Stripping Temperature at Same Efficiency
    With improved solution chemistry (low cyanide, high caustic), the Desorption Electrolytic System operates effectively at 90–95°C instead of 120–130°C, cutting heating energy nearly 30%.

  3. Reduced Pumping Hours
    Automated cycle timers and flow sensors ensure pumps run only when gold concentration exceeds a threshold. This alone saves 8–10% in plant-wide electricity.

  4. Smart Standby Mode
    During low-grade ore processing, the system automatically lowers circulation speed and heating power without stopping, avoiding cold restarts.

Desorption Electrolytic System FAQ Common Questions

Q1: Does lowering operating temperature affect gold recovery efficiency in a Desorption Electrolytic System
A: No. EPIC engineers have validated that with optimized eluant chemistry (0.2–0.5% NaCN + 1% NaOH), desorption at 95°C achieves over 98% recovery within 6–8 hours, identical to 120°C operation. The key is maintaining linear flow velocity above 2 cm/s. Lower temperature actually reduces scale formation on heating elements, further cutting energy waste.

Q2: How much maintenance is required to sustain low energy consumption in a Desorption Electrolytic System
A: Minimal if designed properly. EPIC systems include automatic cathode cleaning cycles and pressure monitoring. For every 500 hours of run time, operators should check three items: (1) heating element insulation resistance, (2) pump seal integrity, (3) cathode plate flatness. Following this schedule keeps energy consumption within 5% of baseline for over 5 years without major overhaul.

Q3: Can an existing gold processing plant retrofit a Desorption Electrolytic System without changing the whole circuit
A: Yes. EPIC offers modular skid-mounted units that connect directly to existing carbon columns and pregnant solution tanks. The retrofit requires only electrical and piping tie-ins, typically completed in 3–5 days. The new system then operates in parallel or replaces the old stripping circuit, delivering immediate energy savings without stopping production.

Why EPIC Leads in Low-Energy Design

EPIC integrates real-time power monitoring into every Desorption Electrolytic System. The control panel displays kWh per ton of carbon stripped, allowing operators to benchmark each batch. With closed-loop pressure regulation and automated eluant make-up, the system never overheats or over-pumps.

Contact us today for a free energy audit of your gold processing plant. EPIC engineers will model how a Desorption Electrolytic System fits your existing layout and calculate exact monthly power savings. Reach out via the website or email [email protected] to schedule a consultation.

Previous:No News
Next:No News

Leave Your Message

  • Click Refresh verification code