Product FeaturesSingle acting, load returnIntegral stop ring provides piston blow-out protectionSpecial bearing design withstands side-loads up to 10% of the rated loadBuilt-in scraper seal reduces contamination, extending cylinder lifeStandard rigid deep groove saddle, can choose a 5 degree tilt sa......





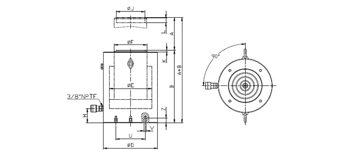
| Model | Capacity | Working Pressure | Coll. Height A | Stroke | Effective Area | Oil Capacity | Outside Dia. D | PlungerDia. F | Saddle Dia. J | Weight | |||||||||||
| (T) | (MPa) | (mm) | (mm) | (cm2) | (cm3) | (mm) | (mm) | (mm) | kg | ||||||||||||
| SOV-CLSG-502 | 50 | 70 | 162 | 50 | 76.1 | 380 | 130 | 70 | 50 | 17 | |||||||||||
| SOV-CLSG-504 | 212 | 100 | 76.1 | 761 | 130 | 70 | 50 | 20 | |||||||||||||
| SOV-CLSG-506 | 262 | 150 | 76.1 | 1141 | 130 | 70 | 50 | 23 | |||||||||||||
| SOV-CLSG-508 | 312 | 200 | 76.1 | 1522 | 130 | 70 | 50 | 27 | |||||||||||||
| SOV-CLSG-5010 | 362 | 250 | 76.1 | 1902 | 130 | 70 | 50 | 31 | |||||||||||||
| SOV-CLSG-5012 | 412 | 300 | 76.1 | 2283 | 130 | 70 | 50 | 34 | |||||||||||||
| SOV-CLSG-1002 | 100 | 70 | 182 | 50 | 133 | 665 | 165 | 95 | 75 | 19 | |||||||||||
| SOV-CLSG-1004 | 232 | 100 | 133 | 1331 | 165 | 95 | 75 | 29 | |||||||||||||
| SOV-CLSG-1006 | 282 | 150 | 133 | 1996 | 165 | 95 | 75 | 40 | |||||||||||||
| SOV-CLSG-1008 | 332 | 200 | 133 | 2662 | 165 | 95 | 75 | 50 | |||||||||||||
| SOV-CLSG-10010 | 382 | 250 | 133 | 3327 | 165 | 95 | 75 | 61 | |||||||||||||
| SOV-CLSG-10012 | 432 | 300 | 133 | 3993 | 165 | 95 | 75 | 71 | |||||||||||||
| SOV-CLSG-1502 | 150 | 70 | 196 | 50 | 198 | 990 | 205 | 114 | 94 | 39 | |||||||||||
| SOV-CLSG-1504 | 246 | 100 | 198 | 1979 | 205 | 114 | 94 | 52 | |||||||||||||
| SOV-CLSG-1506 | 296 | 150 | 198 | 2969 | 205 | 114 | 94 | 65 | |||||||||||||
| SOV-CLSG-1508 | 346 | 200 | 198 | 3959 | 205 | 114 | 94 | 78 | |||||||||||||
| SOV-CLSG-15010 | 396 | 250 | 198 | 4948 | 205 | 114 | 94 | 92 | |||||||||||||
| SOV-CLSG-15012 | 446 | 300 | 198 | 5938 | 205 | 114 | 94 | 105 | |||||||||||||
| SOV-CLSG-2002 | 200 | 70 | 216 | 50 | 266 | 1332 | 235 | 133 | 113 | 55 | |||||||||||
| SOV-CLSG-2006 | 316 | 150 | 266 | 3995 | 235 | 133 | 113 | 91 | |||||||||||||
| SOV-CLSG-20012 | 466 | 300 | 266 | 7990 | 235 | 133 | 113 | 146 | |||||||||||||
| SOV-CLSG-2502 | 250 | 70 | 235 | 50 | 366 | 1830 | 275 | 165 | 145 | 102 | |||||||||||
| SOV-CLSG-2506 | 335 | 150 | 366 | 5491 | 275 | 165 | 145 | 136 | |||||||||||||
| SOV-CLSG-25012 | 485 | 300 | 366 | 10983 | 275 | 165 | 145 | 207 | |||||||||||||
| SOV-CLSG-3002 | 300 | 70 | 312 | 50 | 457 | 2287 | 310 | 197 | 177 | 184 | |||||||||||
| SOV-CLSG-3006 | 412 | 150 | 457 | 6860 | 310 | 197 | 177 | 232 | |||||||||||||
| SOV-CLSG-30012 | 562 | 300 | 457 | 13719 | 310 | 197 | 177 | 303 | |||||||||||||
| SOV-CLSG-4002 | 400 | 70 | 375 | 50 | 560 | 3066 | 350 | 216 | 196 | 270 | |||||||||||
| SOV-CLSG-4006 | 475 | 150 | 560 | 9197 | 350 | 216 | 196 | 330 | |||||||||||||
| SOV-CLSG-40012 | 625 | 300 | 560 | 18393 | 350 | 216 | 196 | 421 | |||||||||||||
| SOV-CLSG-5002 | 500 | 70 | 419 | 50 | 730 | 3648 | 400 | 248 | 228 | 401 | |||||||||||
| SOV-CLSG-5006 | 519 | 150 | 730 | 10945 | 400 | 248 | 228 | 480 | |||||||||||||
| SOV-CLSG-50012 | 669 | 300 | 730 | 21890 | 400 | 248 | 228 | 599 | |||||||||||||
| SOV-CLSG-6002 | 600 | 70 | 429 | 50 | 856 | 4282 | 430 | 267 | 247 | 474 | |||||||||||
| SOV-CLSG-6006 | 529 | 150 | 856 | 12845 | 430 | 267 | 247 | 565 | |||||||||||||
| SOV-CLSG-60012 | 679 | 300 | 856 | 25690 | 430 | 267 | 247 | 701 | |||||||||||||
| SOV-CLSG-8002 | 800 | 70 | 474 | 50 | 1134 | 6087 | 510 | 317 | 297 | 741 | |||||||||||
| SOV-CLSG-8006 | 574 | 150 | 1134 | 18260 | 510 | 317 | 297 | 880 | |||||||||||||
| SOV-CLSG-80012 | 724 | 300 | 1134 | 36521 | 510 | 317 | 297 | 1058 | |||||||||||||
| SOV-CLSG-10002 | 1000 | 70 | 564 | 50 | 1464 | 7322 | 560 | 343 | 323 | 1062 | |||||||||||
| SOV-CLSG-10006 | 664 | 150 | 1464 | 21966 | 560 | 343 | 323 | 1213 | |||||||||||||
| SOV-CLSG-100012 | 814 | 300 | 1464 | 43932 | 560 | 343 | 323 | 1439 | |||||||||||||

40 Ton 400mm Hydraulic Jack
Hydraulic Hoist Cylinder Krm143b for Dump Truck
High Performance 30ton Mobile Locomotive Hydraulic Lifting Jack for Sale
African Market Hydraulic Bottle Jack Seal by Nylon Car Repair Tools
Single Acting 600ton Big Lifting Hydraulic Jacks
High Efficiency Hydraulic Tank Jacking System